Sorry, kompletnie zapomnialem.
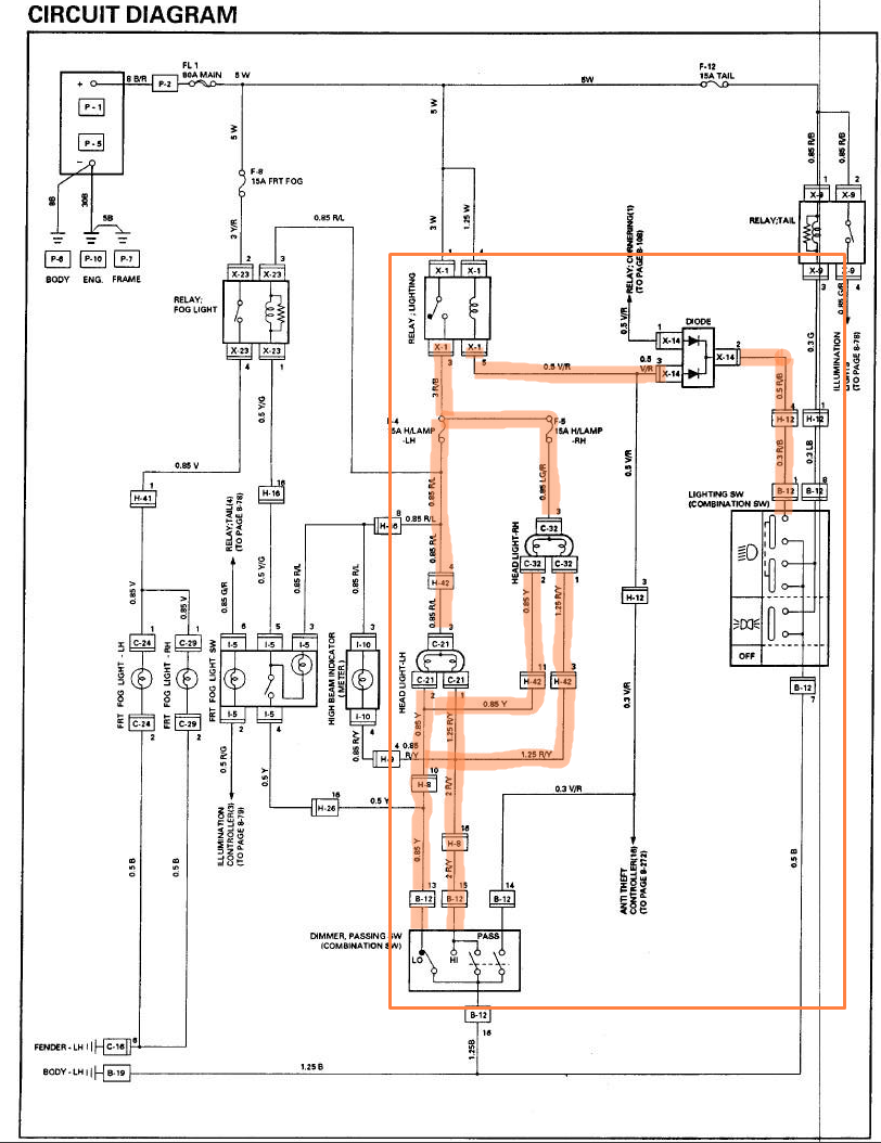
Wzystko co Cie interesuje na schemacie zaznaczylem na pomaranczowo:

- Screenshot_6.png (296.93 KiB) Przeglądane 8166 razy
W obwodzie z schematu logika jest nastepujaca:
Glwmy przelacznik swiatel po przelaczeniu na "mijania" podaje mase na przekaznik pod maska. Ktory zalacza plusa prosto na odczep wspolny zarowek w reflektorach. Jednoczesnie manetka przy kierownicy bezposrednio przelacza mase pomiedzy wloknem mijania a wloknem drogowych. Nie ma tu drugiego przekaznika od tej funkcji, wiec manetka przy kierownicy jest obciazona calym pradem zasilajacym zarowki - zle rozwiazanie, ale niestety czesto stosowane. Europejskie Troopery maja juz dwa przekazniki do tego.
Tak czy inaczej - ten schemat bez zadnego problemu dzialalby z H4-kami bez zadnych modyfikacji. Na Twoim miejscu upewnilbym sie jeszcze raz - ktory przewod dokladnie jest czym. Wez sobie karteczke i zrob mini tabelke:

- Screenshot_7.png (48.58 KiB) Przeglądane 8164 razy
Na jej podstawie bezblednie stwierdzisz ktory kabel jest ktory, potem podepnij zgodnie z pinami na obrazku (widok na zarowke od stron pinow) i musi dzialac. Jesli wyjdzie Ci inna logika w tabeli - wrzuc ja tu, bedziemy rozkminiac. Tylko pamietaj, ze do pomiarow musisz odlaczyc obie zarowki, bo inaczej wyjda bzdury (przewodnosc zarnika).
Jak robilem w 4R dalekosiezne to myslalem ze zeswiruje - te same problemy co Ty, jedno wlaczam, drugie sie wylacza, przepinam inaczej, swieca na przemian, albo wszystko na raz, cyrk. Oczywiscie wina byla moja bo pomieszalem piny i nie ogarnalem jak dziala sterowanie w 4R. Chwila zastanowienia- trzy pomiary, zrozumienie tematu i juz podlaczylem jak nalezy i wszystko zadzialalo.